Plasma engineering of ionsource
Supercomputing in the studies
Ionization points vs. Gas pressure.
Magnetic fields in Ion Source (X-Z)
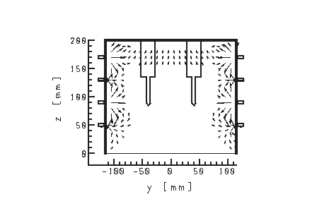
Magnetic fields in Ion Source (Y-Z)
Ionization collision points
Ionization collision points and orbits of electron (X-Z)
Ionization collision points and orbits of electron (Y-Z)